Zaczep - STAL NIERDZEWNA

dostawa do 6 dni

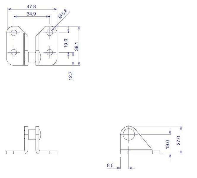
GH-451-LPSS
Towar
23 (23%)
szt
0,058 kg
AKCESORIA